聚苯硫醚PPS树脂良好的机械和电学性能使之成为在许多重要场合下优选的合成材料。聚苯硫醚的纯度与其制成的产品的性能有着很大的影响,比如,在一些电学使用领域,聚苯硫醚单体中含有尘埃也会对其制品的电气性能产生明显影响。因此,如何制得高纯度的聚苯硫醚单体,一直是化工界关注的问题。在聚苯硫醚的生产过程中,为了保障产品的纯度,在反应合成完成后需要经过多级洗涤,洗涤过程中会用到洗水,洗水能对产品进行洗涤,将生产完成后残留在产品上的低聚物、溶剂、无机盐等杂质进行冲洗,保障产品的干净纯洁和质量。

为了提高聚苯硫醚树脂洗涤效果,缩短固-液分离的过滤时间,在聚苯硫醚树脂的洗涤过程的第 一级中,由于洗涤液体是采用无机物浓度相对较高的第二级滤液,在不添加去离子水的条件下,使得经过第 一级洗涤之后的无极化合物浓度相对于添加去离子水的条件下较高,从而增加了第 一级洗涤工艺体系的物料粘度,进而降低了聚苯硫醚树脂生产效率和产能,和增加生产成本,为此,在每一级洗涤工艺技术中,通过适当补充一定的去离子水来降低相应洗涤级数的物料粘度,这样就会缩短物料过滤所需要的时间,进而提高生产效率,和降低生产成本。
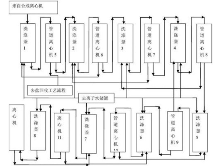
(1) 在聚苯硫醚树脂合成生产完成之后,当温度下降至100℃时,在合成体系中,均分三次加入NMP溶剂和丙酮,将合成体系的温度在60℃保持45min,随后趁热过滤,滤液输入溶剂和助溶剂回收系统,滤饼输入洗涤系统;
(2) 在1)得到的滤饼中,第 一级洗涤液体是利用第二级聚苯硫醚树脂洗涤之后的滤液来洗涤1)得到的滤饼,并补充去离子水,将第 一级洗涤系统中的物料温度上升,并在该温度条件下,保温30min,趁热过滤, 滤液输入副产物-氯化钠的回收体系,滤饼输入第二级洗涤工艺工序;
(3) 在2)得到的滤饼中,第二级洗涤液体是利用第三级聚苯硫醚树脂洗涤之后的滤液来洗涤2)得到的滤饼,并补充去离子水,将第二级洗涤系统中的物料温度上升,并在该温度条件下,保温30min,趁热过滤, 滤液输入第 一级洗涤工艺工序,滤饼输入第三级洗涤工艺工序;
(4) 在3)得到的滤饼中,第三级洗涤液体是利用第四级聚苯硫醚树脂洗涤之后的滤液来洗涤3)得到的滤饼,并补充去离子水,将第三级洗涤系统中的物料温度上升,并在该温度条件下,保温30min,趁热过滤, 滤液输入第二级洗涤工艺工序,滤饼输入第四级洗涤工艺工序;
(5) 在4)得到的滤饼中,第四级洗涤液体是利用第五级聚苯硫醚树脂洗涤之后的滤液来洗涤4)得到的滤饼,并补充去离子水,将第四级洗涤系统中的物料温度上升,并在该温度条件下,保温30min,趁热过滤,滤液输入第三级洗涤工艺工序,滤饼输入第五级洗涤工艺工序;
(6) 在5)得到的滤饼中,第五级洗涤液体是利用第六级聚苯硫醚树脂洗涤之后的滤液来洗涤5)得到的滤饼,并补充去离子水,将第五级洗涤系统中的物料温度上升,并在该温度条件下,保温30min,趁热过滤,滤液输入第四级洗涤工艺工序,滤饼输入第六级洗涤工艺工序;
(7) 在6)得到的滤饼中,第六级洗涤液体是利用第七级聚苯硫醚树脂洗涤之后的滤液来洗涤6)得到的滤饼,并补充去离子水,将第六级洗涤系统中的物料温度上升,并在该温度条件下,保温45min,趁热过滤,滤液输入第五级洗涤工艺工序,滤饼输入第七级洗涤工艺工序;
(8) 在7)得到的滤饼中,第七级洗涤液体是利用第八级聚苯硫醚树脂洗涤之后的滤液来洗涤7)得到的滤饼,并补充去离子水,将第七级洗涤系统中的物料温度上升,并在该温度条件下,保温30min,趁热过滤,滤液输入第六级洗涤工艺工序,滤饼输入第八级洗涤工艺工序;
(9) 在8)得到的滤饼中,加入新鲜的去离子水,将第八级洗涤系统中的物料温度上升,并在该温度条件下,保温30min,趁热过滤,滤液输入第七级洗涤工艺工序,滤饼输入干燥工艺工序;这样就完成了聚苯硫醚树脂的洗涤;

(1)安全风险高
使用离心机甩滤,由于离心机所处理含有溶剂聚合物料浆是易燃易爆的,这就易引起燃烧爆炸事故的发生。又因其转速极高,如操作不慎或违章作业,与转动着的离心机转鼓内的物料接触,将造成手指、手臂截断事故。此外,由于种种原因引起的转鼓破裂、转鼓位移、人孔盖板飞出等也会造成严重的人员伤亡事故。
(2)无法密闭生产,环境污染大
甩滤、洗涤、粉碎、纯化、干燥各个步骤之间需要转料操作,自动化水平低,每班操作需要人员较多,转料操作时有溶剂、粉尘等职业病风险,异物控制等质量控制难点,管理难度大。滤饼洗涤效果差、人工操作劳动强度大、物料转移困难、物料容易受到设备传动部件及敞开工作的环境影响和污染等严重缺陷。
(3)纯化工艺繁琐,稳定性较差
特种工程塑料传统提纯工艺中使用脱水剂、聚合体系含有大量盐分所带来的环境不友好、洗脱困难,需要用大量的有机溶剂和去离子水进行多次反复洗涤,才能达到较好的纯化效果。因此工序复杂,质量稳定性较差,且生产成本高。
(4)设备多、操作繁琐,无法满足工业大生产工艺要求
过滤、洗涤以及干燥都是采用独立的设备进行加工,如离心机、洗涤槽、干燥机等,由于设备分散,生产过程不易控制,自动化程度低,在取样、化验、加料、补料、温度、压力等方面若控制不当或人工操作,往往也会造成差错与污染。反应、过滤、干燥这三个装置间物料的输送难度就更高,有时常常会由此而使整套装置处于不能完全正常操作或劳动强度大,生产周期长、能耗大、效率低影响产品质量,无法满足精细化工大生产工艺要求。
(5)占地面积大、设备投入高
过滤、多次洗涤过滤、干燥等单元操作,这些单元操作通常由结晶罐、压滤机或离心过滤机、洗涤槽以及干燥机等单元设备单独运作,多种单元设备成一个长流程的大装置,设备间通过管道或其他方式输送物料每个单元操作对应相应的单元设备,设备分散布置,使整个生产过程的厂房面积大幅度增加,同时也大大提高了设备的投资。
为了对上述问题进行改进,无锡双瑞研制开发连续精制提纯特种塑料的过滤洗涤干燥机组(专 利号:ZL 202121331911.4),解决了传统的特种工程塑料精制提纯步骤繁琐效率低的问题,从而提高PPS树脂洗涤工艺的整体效率,保证生产的连续性,效率高,且能耗低、绿色环保,具有普适性,易于推广。

(1)压滤或真空过滤
将需要进行反应的物料(固液、液液或气液)从设备顶部加料口加入,启动电机及减速机,使空心轴和空心螺带按顺时针方向旋转(从顶部往下看)。打开下部滤液出口,在设备内通入压缩空气或氮气等气体,对经过反应的固液混合物进行加压过滤,直到把机内物料压干。也可在滤液出口抽真空,对物料进行真空过滤,直到把滤液抽干为止。过滤时可使空心轴和空心螺带按顺时针方向旋转(从顶部往下看),对物料进行提升,并使空心螺带在旋转时限制滤饼层的厚度,使物料在薄的滤饼层条件下进行过滤,以提高过滤速率。对于易过滤的物料,过滤时可不搅拌,直接把物料滤干。
(2)可多次洗涤过滤
有些物料过滤完以后,还要进行多次洗涤。反应过滤干燥多功能机用于对物料的反复多次洗涤是理想的设备。物料在机内压干后,可在顶部洗涤液入口加入洗涤液, 然后通过空心轴和空心螺带的搅拌,对滤饼进行均匀再浆,再浆搅拌均匀后再把物料压干。若洗涤一次不够,可进行多次洗涤,这时重复上述步骤多次即可,操作方便,劳动强度极低。
以上述方法对物料进行洗涤,我们称之为间歇洗涤法。由于每次是把物料压干后再加洗涤液进行洗涤,因而操作时虽然开关阀门次数多一点,但用的洗涤液较少。该机也可对物料进行连续洗涤,即把洗涤液用泵或其它方法连续压入,利用洗涤液的压力进行过滤,空心轴和空心螺带则不断地搅拌,滤液从滤液出口连续排出,直至达到洗涤要求为止,zui后再把滤饼压干。这种连续洗涤的方法,一般比间歇洗涤用的洗涤液量要多,但操作更方便。

(1)生产系统流程全密闭
从聚合物料浆固液分离开始到干燥结束的全封闭生产流程,该套设备是一个全封闭运行的系统,生产流程更加符合满足精细化工大生产工艺要求规范,消除了粉尘挥发因素,使异物污染得到控制、降低了安全环保风险。
(2)安全有保障
在溶剂纯化除低聚物工艺中,使用过滤洗涤二合一替代离心机甩滤、洗涤槽,消除了离心机的安全风险。过滤洗涤二合一在过滤中可以充氮气保护,安全风险极低。由于此生产系统全封闭运行,能完全避免生产过程中溶剂对操作环境空气的污染,同时能减少因与毒性物质接触而导致操作人员中毒事故的发生。在安全和职业健康呼声日益高涨的今天,这一优点更显得重要。
(3)更加环保
因为整个生产系统是全密闭系统的操作,因此物料和溶媒可以近乎100%的完全回收,避免因物料遗漏、遗留和溶剂挥发而引起的浪费,具有很大的经济效益,特别是处理物料和使用溶剂价值较高时更是如此。
(4)操作简单,自动化程度高
各流程分阶段进行,安全措施齐全,操作人员经过简单培训,即可以完成操作,而且大大减轻了劳动强度。
(5)产品质量提高
由于此设备在洗涤操作时可以对滤饼进行重新搅拌混悬,使滤饼中的杂质可以得到非常彻底的清洗,有利于提高产品质量。
(6)适合大型化生产需要
过滤、洗涤、干燥能在同一套系统中完成,厂房空间也得到了zui大利用,在寸土寸金的时代,减少占地面积就可节约大量资金投入。此工艺更适合大型化生产需要,缩短流程,减少设备,减少厂房空间,降低工程投资,同时提高产品质量,减轻劳动强度,有较好的经济效益与社会效益。
(7)清洁生产
此过滤洗涤干燥机可密闭运行,并且装配有粉尘捕集器,完全收集干燥后产生的粉尘,能满足高洁净度的生产操作要求。可轻松实现在线清洗操作,较传统设备相比可减少清洗时的溶剂挥发和安全风险。


无锡双瑞致力于推动结晶过滤洗涤干燥设备的技术创新,珍视客户给予的充分信赖。知识产权是双瑞机械和客户共同的生命线。在无锡双瑞,我们坚持诚实敬业的立业之本,坚持对侵权行为零容忍,严厉打击任何侵犯知识产权的犯罪行为。这是无锡双瑞至高的责任、义务和承诺。我们必须精诚回报客户的信任,彻底杜绝任何侵权行为。