辛伐他汀是目前临床治疗中使用常见的一种降脂药物,辛伐他汀由美国的默克公司研发,辛伐他汀的基本药理作用是以竞争性抑制剂来实现对于人体肝脏细胞内羟甲戊二酰辅酶A还原酶活力的限制,进而限制肝脏细胞羟甲戊二酰辅酶 A还原酶转化为甲基二羟戊酸,zui终达到降低胆固醇的目的。
在临床研究中,辛伐他汀还能够起到一定程度的预防动脉粥样硬化的效果,同时能够有效避免心脏病的复发。同时,在zui新的研究中,辛伐他汀在作为降脂药物使用时,还能够起到一定程度的非降脂功效,首先辛伐他汀能够促进人体新骨质的生成,从而在临床上起到辅助治疗骨质疏松症的功效;其次还能够起到有效降低脂蛋白、降血压、抗肿瘤的功效。

间接甲基化法作为辛伐他汀合成的目前常用工艺,需要运用到一定数量的有机溶液丁基锂,而丁基锂是一种很活跃的试剂,操作不当的情况下很容易出现严重的爆炸事故,威胁生产人员的人身安全。同时,辛伐他汀的间接甲基化合成法还需要在低温条件才能够进行,生产条件较为复杂。此合成法还存在着反应步骤多、反应所需时间较长、反应过程中底物转化率较低、反应生产无需的副产物种类与数量较多、产成品纯化较为困难等问题。
为满足辛伐他汀工业大规模生产要求,新工艺生产完成后的废液比较容易回收,不会造成较为严重的环境污染,并且在反应过程中所需要的反应条件比较温和。因此,高纯度辛伐他汀心脑血管类药物精制工艺进行一定的改进,在反应后不再使用水进行萃取,而是加入有机碱和反应生成的酸,形成络合盐后,在极性较低的溶剂中析出,然后过滤除去,避免了洛伐他汀保护物遇水分解而影响后反应。

(1) 辛伐他汀铵盐的制备
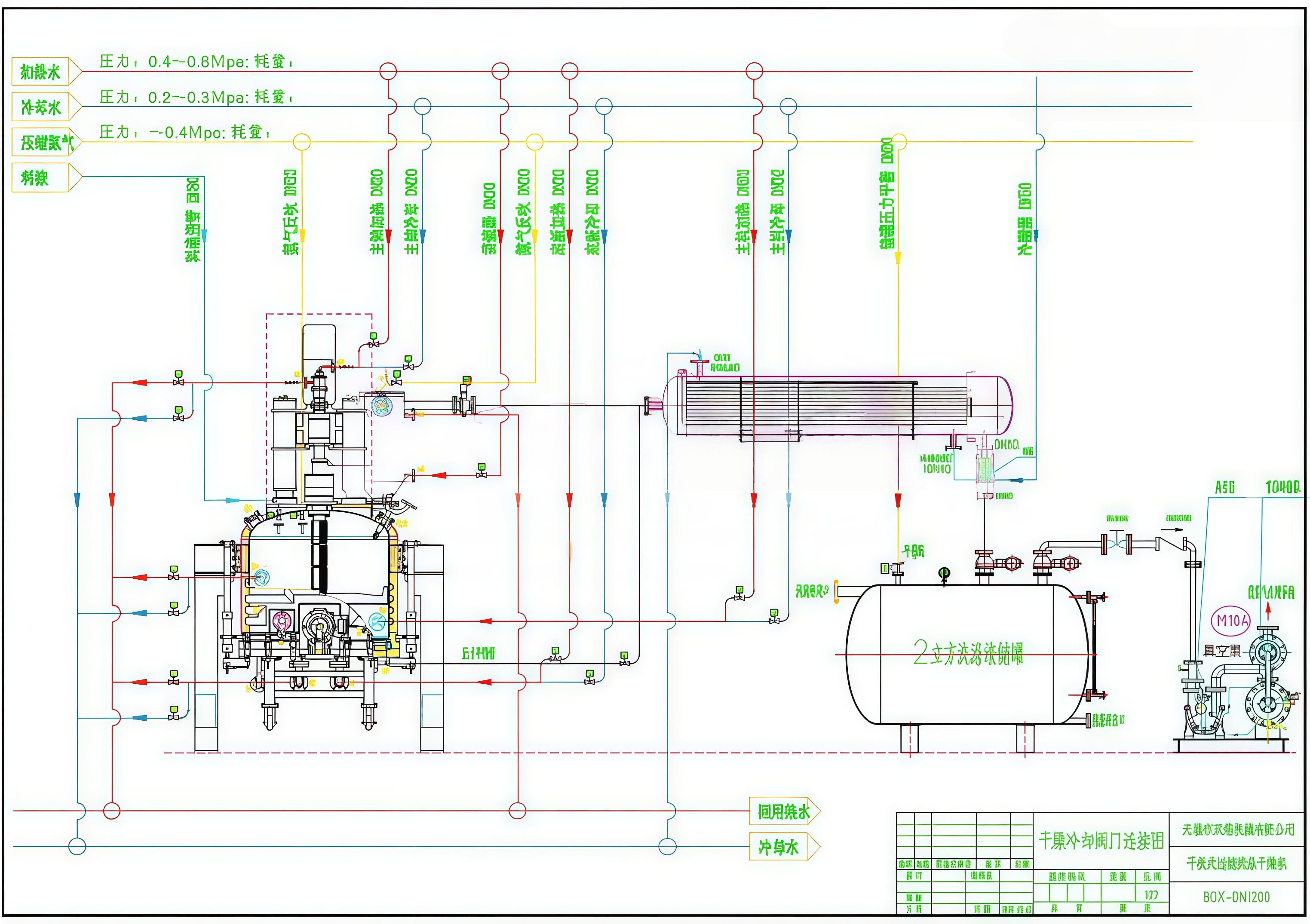
利用全自动过滤洗涤干燥一体机将洛伐他汀硅烷化物降温,然后加入一定量的吡咯烷锂搅拌,再加入一定量的碘甲烷进行甲基化反应。确保反应完全,再加入适量的乙醚和水,调酸水洗萃取,然后蒸干溶剂。
加甲醇溶解,在25~30℃下搅拌反应,HPLC检测反应终点。反应完全后,加入乙酸乙酯,提取分层。有机层再用饱和盐水洗涤一遍,加甲醇,搅拌滴加氨水,冷却至5℃搅拌结晶。过滤、烘干得到辛伐他汀铵盐。
(2) 辛伐他汀的制备
在全自动过滤洗涤干燥一体机中,将上一步骤合成得到辛伐他汀铵盐分散悬浮于的二氯甲烷中,温度在15℃至20℃之间加入的甲磺酸,在确保反应完全后,然后投入的固体碳酸氢钠,活性碳过滤,蒸干二氯甲烷,然后加入乙醇升温至55℃至60℃进行搅拌溶解,再加活性炭脱色过滤,45℃至50℃之间滴加水,降温结晶过滤洗涤烘干,得到辛伐他汀成品。

全自动过滤洗涤干燥一体机高纯度辛伐他汀心脑血管类药物精制工艺,反应步骤少,反应条件温和,关键反应在常温下进行,使用溶剂较少,减少了环境污染,且产品质量较好,获得了较好的经济效益和环境效益。同时反应收率也较高,质量较为稳定,在化学合成领域,是目前国内制药企业采用较多的精制提纯工艺路线。

