众所周知,反应、过滤、干燥是化工、医药、食品等行业三个重要单元操作,一般要有反应釜、过滤机、干燥机三个单元设备来完成。这三个单元设备分别都有各自的配套装置,因占地面积大,造价贵,单元与单元间物料的搬运或输送较麻烦,不但劳动强度大,还易造成物料的流失和浪费,而对易燃易爆、有毒或剧毒的物料或不允许有污染的生物制品、药品、食品等,要求密闭操作,这时反应、过滤、干燥这三个装置间物料的输送难度就更高,有时常常会由此而使整套装置处于不能完全正常操作或劳动强度大,生产周期长、能耗大、效率低影响产品质量。

根据市场需求和客户要求,我公司进行了大量的设计研发工作,终于研制成功了锥形反应过滤洗涤干燥机(专 利号:ZL 201721560677.6),实现了装备技术性能的较大改进,从结构设计到应用都紧跟精细化工行业相应法规要求,而且在多家精细化工企业中成熟应用。
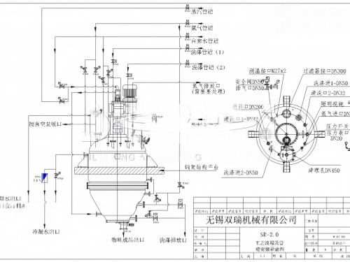
锥形反应过滤洗涤干燥多功能设备的结构如下图所示,上部是一个立式圆筒形容器,底部为圆锥体结构,过滤介质衬在圆筒体夹壳内层四周。在设备中心部装有空心螺带搅拌器。与过滤介质相配合的那段螺旋片,转动时起刮刀作用,而底部的螺旋器在装配时就紧贴在锥体上,起螺旋挤压作用。
当对物料进行过滤时,将待过滤的料浆(固液混合物)用泵压入过滤机容器内,用足够的压力使滤液穿过过滤介质(如料浆不用泵打,直接流入过滤机容器内,在清液出口处抽真空,对物料进行真空吸滤也可以),这时滤饼在滤网或其它过滤介质上不断增厚,但空心螺带搅拌器在缓慢旋转,将滤饼不断刮下来,实现典型的动态过滤。被刮下的滤饼慢慢推落到锥体,再被挤压螺带挤压和干燥,最后出下部出料阀。

从筒锥式多功能机处理各种不同物料的实际操作使用可发现,筒锥式连续过滤干燥机具有很多优点,主要表现有:
(1) 一机多用,可在一台机内完成反应、萃取、过滤、反复多次过滤洗涤、干燥等多种操作,并直接得到成品。
(2) 操作弹性大,能通过调整过滤压差、转速、螺旋挤压导程等调节操作周期,使之适应工艺条件的变化。
(3) 该机可在过滤介质表面形成很薄的滤饼或者在无滤饼条件下进行过滤,单位过滤面积上的过滤速率很高,因此设备小而紧凑。
(4) 全封闭系统,操作环境相当好,特别适用于处理有毒、易燃、易爆的危险产品及不允许有污染的鲜美食品生物制品药品等。


(5) 既能浓缩,又能过滤。特别是需要对物料进行洗涤时,可先对物料进行浓缩,并在悬浮状态下进行彻底地洗涤,最后再压滤,这样可减少物料的搬运,减少浪费,洗涤时不用再浆 ,加工出来的产品质量很高。
(6) 可用于反应、过滤、干燥三种操作,使三个单元设备的作用在这一台设备上完成,从而使设备成本、占地面积、劳动强度、能耗等都大大降低。
(7) 该机的动力消耗低,挤出滤饼一般比平板式三合一水分低,操作亦方便。
综上所述,锥形反应过滤洗涤干燥多功能设备是目前较先进的多功能过滤设备,它的独特优越性,必将在化工、医药、食品、冶金、轻纺等领域得到更广泛的应用。